山東萬象環境科技有限公司
聯系人:周經理
聯系電話:19853697985
客服Q Q:3836021633
公司地址:山東省濰坊高新區新城街道玉清社區光電路155號濰坊高新區光電產業加速器(一期)1號樓301

PRODUCT
聯系人:周經理
聯系電話:19853697985
客服Q Q:3836021633
公司地址:山東省濰坊高新區新城街道玉清社區光電路155號濰坊高新區光電產業加速器(一期)1號樓301

產品型號:WX-WQX8
產品價格:電議
產品品牌:萬象系
一、智慧路燈環境傳感器產品簡介
智慧路燈環境傳感器又稱空氣質量傳感器,城市環境監測傳感器,智慧路燈環境傳感器可用于城市環境中風速、風向、溫度、濕度、氣壓、pm2.5、pm10、噪聲的在線監測,廣泛用于城市環境監測,氣象監測,光伏電站,航海船舶,機場等
山東萬象環境科技有限公司作為專業研發生產銷售微型氣象儀的企業,一直致力于微型氣象儀和氣象環境解決方案推廣應用。具有完整的生產鏈、實力雄厚的技術團隊和全面的營銷團隊,我們研發生產的超聲波風速風向儀、五要素微氣象儀、六要素微氣象儀和小型自動氣象站等氣象產品,已廣泛應用到氣象監測、城市環境監測、風力發電、航海船舶、航空機場、橋梁隧道等領域,客戶遍布全國各地,并取得了良好的社會效益和經濟效益。
與傳統的微型氣象儀相比,我司產品克服了對高精度計時器的需求,避免了因傳感器啟動延時、解調電路延時、溫度變化而造成的測量不準問題。
WX-WQX8型八要素微氣象儀創新性地將氣象標準參數(風速、風向、溫度、濕度、氣壓、pm2.5、pm10、噪聲)通過一個高集成度結構來實現,可實現戶外氣象參數24小時連續在線監測,通過數字量通訊接口將八項參數一次性輸出給用戶。產品結構緊湊,外形美觀、大方、高度集成。
二、智慧路燈環境傳感器產品特點
1、頂蓋隱藏式超聲波探頭,避免雨雪堆積的干擾,避免自然風遮擋
2、原理為發射連續變頻超聲波信號,通過測量相對相位來檢測風速風向
3、風速、風向、溫度、濕度、氣壓、pm2.5、pm10、噪聲八要素一體式
4、采用先進的傳感技術,實時測量,無啟動風速☆
5、抗干擾能力強,具有看門狗電路,自動復位功能,保證系統穩定運行
6、高集成度,無移動部件,零磨損
7、免維護,無需現場校準
8、采用ASA工程塑料室外應用常年不變色
9、產品設計輸出信號標配為RS485通訊接口(MODBUS協議);可選配232、USB、以太網接口,支持數據實時讀取☆
10、可選配無線傳輸模塊,最小傳輸間隔1分鐘
11、探頭為卡扣式設計,解決了運輸、安裝過程松動不準的問題☆
三、智慧路燈環境傳感器技術參數
1.風速(標配):量程:0~60m/s;分辨率0.01m/s;精度:±0.1m/s(北京市氣象局校準證書)☆
2.風向(標配):量程:0~360°;分辨率:1°;精度:±2°(北京市氣象局校準證書)☆
3.空氣溫度(標配):量程:-40-60℃;分辨率0.01℃;精度:±0.3℃(25℃)(北京市氣象局校準證書)☆
4.空氣濕度(標配):量程:0-100%RH;分辨率:0.01%RH;精度:±3%RH(北京市氣象局校準證書)☆
5.大氣壓力(標配):量程:30-110Kpa;分辨率0.01Kpa;精度:±0.25%(北京市氣象局校準證書)☆
6.PM2.5(標配):量程:0-1000ug/m3;分辨率1ug/m3;精度:±10%(<500微克)
7.PM10(標配):量程:0-1000ug/m3;分辨率1ug/m3;精度:±10%(<500微克)
8.噪聲(標配):量程:30-120dB;分辨率0.1dB;精度:±1.5dB
9.其他可選配要素:壓電雨量、TSP、一氧化碳、二氧化硫、二氧化氮、臭氧、光照度、光學雨量、總輻射、二氧化碳、氧氣含量、硫化氫、氫氣、氯氣、氨氣、氯化氫、氰化氫、氟化氫、磷化氫、二氧化氯、環氧乙烷、一氧化氮、過氧化氫、四氫噻吩、甲醛、VOC、催化燃燒可燃氣
9.功率:0.72W
10.生產企業具有ISO質量管理體系、環境管理體系、職業健康管理體系認證☆
11.生產企業具有專利證書和計算機軟件注冊證書☆
12.生產企業為3A級信用企業
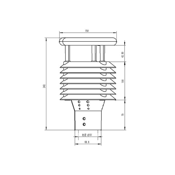
四、智慧路燈環境傳感器產品尺寸圖

五、產品結構圖

1、控制電路
2、指北箭頭
3、超聲波探頭
4、百葉箱PM2.5、PM10
5、溫度、濕度、噪聲、氣壓監測位置
6、法蘭轉換頭
※此產品可選配電子羅盤功能
六、產品接線定義

定義 | 備注 | |
VCC | 電源正 | DC12V |
GND | 電源地 | |
485A | RS485A | |
485B | RS485B |
校園自動氣象站:一所學校與天氣的對話
2025-11-11 08:36:56水文流量站:在青海省海南州上的優勢盡顯
2025-09-08 09:49:00水位雨量流速流量監測站:硬核設計,多維感知水文變化
2025-04-08 12:54:04水文監測系統:智馭水流,守護流域安全
2024-09-23 08:47:00農業四情監測系統——為農業生產提供科學決策依據
2024-07-29 08:45:46并網式光伏環境氣象站,從陽光到數據:氣象站如何解碼光伏發電密碼?
2025-11-04 11:05:08農業氣象監測站如何照顧作物?
2025-11-03 11:11:15能見度監測站,從模糊到清晰:一臺設備如何看透迷霧中的危險
2025-11-03 11:09:42太陽能風吸式殺蟲燈:守護綠色種植無“蟲”擾
2026-04-07 11:29:35水質濁度在線分析儀:實時守護,讓清澈水質看得見
2026-04-07 11:27:42